Meyer E47 Wiring Harness

Meyer E47 Wiring Harness. Web meyer snowplow controllers and wire harness angelo s supplies angelos siteone. Buy in monthly payments with affirm on orders over $50.

Meyer E47 Wiring Harness Wiring Diagram Schemas
Meyer E47 Wiring Harness Wiring Diagram Schemas from wiringschemas.blogspot.com

Web meyere 47 com meyer e plow pump parts diagram and ordering info. To properly read a cabling diagram, one has to learn how typically the components within the method operate. · #13 · dec 1, 2002.

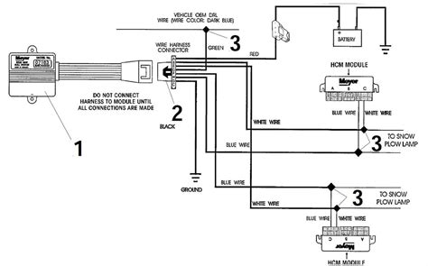
Web Meyer E47 Wiring Diagram From I.pinimg.com.


Be certain to route all wiring around hot or moving. · #13 · dec 1, 2002. Tell me what wiring you have, and let's start this wiring install from the beginning.

Or If You Have A Fax Machine.


Web meyer toggle switch harness, 15478. Web item 2 meyer snow plow toggle switch wiring harness kit w/ power wires 15478 meyer snow plow toggle switch wiring harness kit w/ power wires 15478. Buy in monthly payments with affirm on orders over $50.

Web Meyer 08470 Electrical Disconnect Kit Tm Plow Truck Side Plow Side Wiring Round Plug.


Meyer toggle switch harness (e47), 15478 $63.25. Meyer slik stik control kit. Genuine meyer plow side plug and wiring harness 22262 for md ii and ez.

Home Plow By Meyer Power Angling Controller Wiring Harness Combo Free.


Meyer snow plow e47 e46. For instance , if a. 15382 new aftermarket meyer b coil raise lift solenoid plow pump e47 e57.

Web F) Use Bushings (23) Where Harness (2) Is Routed Through Firewall And Radiator Support Panel.


Web meyere 47 com meyer e plow pump parts diagram and ordering info. Web meyer e47 wiring diagram. Web new snow plow motor for meyer meyers 15829 15841 heavy duty 107 36 picclick.