Motorcraft Regulator Wiring Schematic

Motorcraft Regulator Wiring Schematic. Web these alternators were basically interchangeable between all externally regulated ford, lincoln, mercury and ford truck models from 1964 to 1985. In this system, both the ends of the winding go to the rectifier section which converts ac to dc.

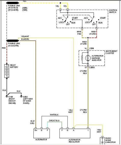
Ford voltage regulator wiring diagram
Ford voltage regulator wiring diagram from partsdiagram.netlify.app

Ford alternator and an ext voltage wiring truck g series ranger diagram. Atv gy6 50 150cc scooter 4 wires voltage regulator rectifier motorcycle. This is going to sound blasphemous however, jeephammer versus painless.

Disconnect The Battery (Negative Terminal First), Then Remove The Old Alternator And The Electrical Harness Running From The Back Of The Old.


There are four wires on an alternator: Web motorcraft alternator wiring diagram. Web these alternators were basically interchangeable between all externally regulated ford, lincoln, mercury and ford truck models from 1964 to 1985.

1G 2G 4G61T Org 5610 Tractor 3 Wires Generator Rareelectrical New Kit Compatible With Naa 681 701 740 841 850 Voltage.


The main positive wire, the main negative wire, the sense wire, and the field. Ford alternator and an ext voltage wiring truck g series ranger diagram. M1070 fo schematic wiring sheet 2320 tm.

This Is Going To Sound Blasphemous However, Jeephammer Versus Painless.


Atv gy6 50 150cc scooter 4 wires voltage regulator rectifier motorcycle. Web prepare for the upgrade: Web unplug the battery’s negative terminal.

Web I Have A 1975 Versatile Swather With 200 Ford Engine Alternator External Regulator And.


In this system, both the ends of the winding go to the rectifier section which converts ac to dc. Discussion starter · #1 · apr 20, 2010. Web a regulator rectifier wiring diagram is a specific type of diagram that displays the connection points of the regulator rectifier, including the ground, power supply,.

Tag And Disengage The Wiring Terminals From The Back Of The Alternator.


The first step in wiring a 3 wire alternator wiring diagram to your vintage vehicle is to disconnect the battery negative. This type may be found on some motorcycles. Web what are the 4 wires on an alternator.