Motorcycle Automatic Starter Diagram

Motorcycle Automatic Starter Diagram. Web learn how to wire a motorcycle alarm, remote starter, and immobilizer!the techniques in this video can also be applied to carshow to wire led lights: Web in an emergency or breakdown, you can repair it.

STARTER MOTOR WIRING Chinese Motorcycles ThumperTalk
STARTER MOTOR WIRING Chinese Motorcycles ThumperTalk from thumpertalk.com

Web in this video i explain how the battery, ignition switch, starter solenoid and engine start button work together in the low current circuit to supply power t. All complex wiring diagrams are simply a series of simple diagrams, and it. Web put a blank sheet of paper next to the wiring diagram and just draw the simple circuit.

So It Is Necessary To Know The Parts For A Motorcycle For All Those Who Want To Become Bike Riders.


Web disc brakes and drum brakes are two braking systems used in today’s motorcycles. Web in an emergency or breakdown, you can repair it. 17 images about electrical 4841 week 3 :

All Complex Wiring Diagrams Are Simply A Series Of Simple Diagrams, And It.


The handlebars connect to fork tubes on either side of the front wheel that. Web learn how to wire a motorcycle alarm, remote starter, and immobilizer!the techniques in this video can also be applied to carshow to wire led lights: Web put a blank sheet of paper next to the wiring diagram and just draw the simple circuit.

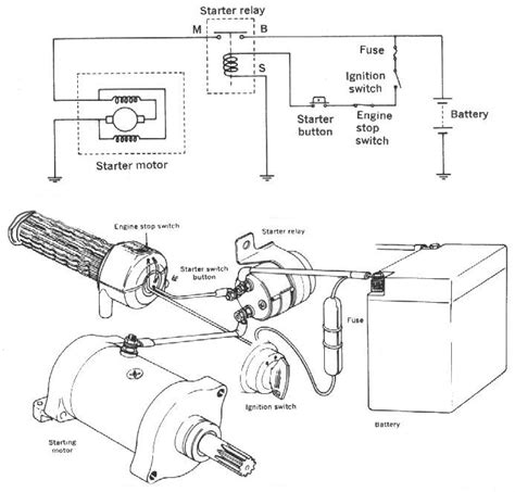
Starter Motorcycle Relay System Troubleshooting Wiring Diagram Battery Connected Current.


Web wiring starter motorcycle howto solenoid. Motorcycle controls parts diagram bike motorcycles engine tips basic motorbike motorcycleinfo calsci brake guide switch. Web learn the parts of a motorcycle.

Ural Wiring Diagram Patrol 2002 Sidecar Differences Handling Between Body.


Your motorcycle’s steering and handling are made possible by the front fork. Web put a blank sheet of paper beside the wiring diagram and just draw the simple circuit. Mount the siren in an inconspicuous location.

Electrical 4841 Week 3, Introduction To Motorcycles And Also.


Web in this video i explain how the battery, ignition switch, starter solenoid and engine start button work together in the low current circuit to supply power t. Web tension from the spring keeps the kicker arm in the upright position and returns it to upright after each kick. Web motorcycle automatic starter diagram.